让卖家找上门
发布询价>>
您所在的位置:仪器仪表网> 电子元器件>供应日本NTS称重测力传感器LCM

供应日本NTS称重测力传感器LCM

价 格: 面议
型号/规格:LCM
品牌/商标:日本NTS

量程:20N/50N/100N/200N/500N/1KN/2KN/5KN/10KN/20KN

技术特点:

小型精密式设计,已广泛应用于称重测试设备的试验研究,体积小,重量轻,安装方便。

 

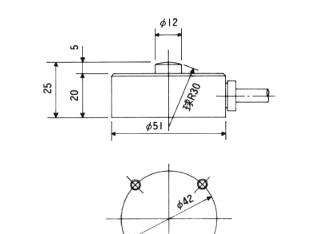
外形尺寸:

dzsc/18/5264/18526423.jpg 

型式

定格容量

φA

B

C

φD

φE

F

G

φH

I

質量
(kg)

LCM-20N

20N

上图参照如下

0.25

LCM-50N

50N

0.25

LCM-100N

100N

0.29

LCM-200N

200N

63

60

55

55

40

M5深サ10

2

12

5

0.9

LCM-500N

500N

63

60

55

55

40

M5深サ10

2

12

5

0.92

LCM-1KN

1kN

70

65

60

64

40

M5深サ10

2

12

5

1.3

LCM-2KN

2kN

70

65

60

64

40

M5深サ10

2

12

5

1.3

LCM-5KN

5kN

70

90

85

60

40

M5深サ10

2

12

5

1.3

LCM-10KN

10kN

88

123

110

80

60

M8深サ12

5

34

13

3.5

LCM-20KN

20kN

98

123

110

90

60

M8深サ12

5

34

13

4.5

 

技术参数:

量程:………………………………………20N~~~20KN

灵敏度:……………………………………… 2mV/V±1%(20N100N1mV/V

非直线性:………………………………………… 0.05R.O.20N100N0.1R.O.

滞后:………………………………………………  0.05R.O.20N100N0.1R.O.

重复性:……………………………………………  0.03R.O.

推荐电压:………………………………………  10V20N100N5V

允许电压:……………………………………18V20N100N10V

输出阻抗:……………………………………  350Ω

绝缘阻抗:………………………………………  2000MΩ以上

温度补偿范围:…………………………………  -10+70

使用温度范围:……………………………………  -20+80

零点温漂:…………………………………………  ±0.01R.O./

满程温漂:………………………………………..  ±0.01/

允许过载:……………………………………  120R.C.

标准电缆:……………………………φ64芯屏蔽电缆3200N20kN

                                                                                      φ34芯屏蔽电缆320N100N

托驰(上海)工业传感器有限公司
公司信息未核实
  • 所属城市:上海 上海市
  • [联系时请说明来自维库仪器仪表网]
  • 联系人: 张慧
  • 电话:021-51085998
  • 传真:021-51069009
  • 手机:13621609668
  • QQ :QQ:137957754
公司相关产品

供应日本NTS称重测力传感器LCL-M

信息内容:

量程:500N/1KN/2KN/5KN/10KN/20KN 技术特点: 全不锈钢结构紧凑,重量轻。高精度的测量,准确适用。 外形尺寸: dzsc/18/5264/18526425.jpg 技术参数: 量程:………………………………………… 500N~20kN 灵敏度:……………………………………… 2mV/V±1% 非直线性:………………………………………… 0.15%R.O. 滞后:……………………………………………… 0.15%R.O. 重复性:…………………………………………… 0.1%R.O. 推荐电压:…………………………………… 10V 允许电压:……………………………………18V 输出阻抗:…………………………………… 約350Ω 绝缘阻抗:……………………………………… 2000MΩ以上 温度补偿范围:………………………………… -10~+70℃ 使用温度范围:…………………………………… -20~+80℃ 零点温漂:………………………………………… ±0.01%R.O./℃ 满程温漂:……………………………………….. ±0.01%/℃ 允许过载:…………………………………… 120%R.C. 标准电缆:…………………………………………φ6,4芯屏蔽电缆3米 重量:……………………………………………...

详细内容>>

供应日本NTS称重测力传感器LCL-B

信息内容:

量程:500N/1KN/2KN/5KN/10KN/20KN 技术特点: 全不锈钢结构,紧凑,重量轻。高精度的测量,准确适用。 外形尺寸: dzsc/18/5264/18526426.jpg 技术参数: 量程:……………………………………… 50N~~~20KN 灵敏度:……………………………………… 2mV/V±1% 非直线性:………………………………………… 0.15%R.O. 滞后:……………………………………………….. 0.15%R.O. 重复性:…………………………………………… 0.1%R.O. 推荐电压:…………………………………… 10V 允许电压:……………………………………18V 输出阻抗:…………………………………… 約350Ω 绝缘阻抗:……………………………………… 2000MΩ以上 温度补偿范围:………………………………… -10~+70℃ 使用温度范围:…………………………………… -20~+80℃ 零点温漂:………………………………………… ±0.01%R.O./℃ 满程温漂:……………………………………….. ±0.01%/℃ 允许过载:…………………………………… 120%R.C. 标准电缆:…………………………………………φ6,4芯屏蔽电缆3米 重量:…………………………………………...

详细内容>>

相关产品