让卖家找上门
发布询价>>
您所在的位置:仪器仪表网> 电子元器件>供应日本NTS称重测力传感器LCL-M

供应日本NTS称重测力传感器LCL-M

价 格: 面议
型号/规格:LCL-M
品牌/商标:日本NTS

量程:500N/1KN/2KN/5KN/10KN/20KN

技术特点:

全不锈钢结构紧凑,重量轻。高精度的测量,准确适用。

 

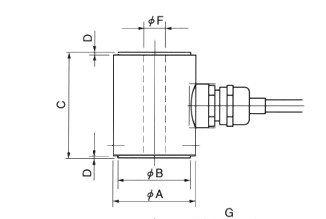
外形尺寸:

dzsc/18/5264/18526425.jpg

技术参数:

量程:…………………………………………  500N20kN

灵敏度:………………………………………  2mV/V±1

非直线性:………………………………………… 0.15R.O.

滞后:………………………………………………  0.15R.O.

重复性:……………………………………………  0.1R.O.

推荐电压:…………………………………… 10V

允许电压:……………………………………18V

输出阻抗:……………………………………  350Ω

绝缘阻抗:………………………………………  2000MΩ以上

温度补偿范围:…………………………………  -10+70

使用温度范围:……………………………………  -20+80

零点温漂:…………………………………………  ±0.01R.O./

满程温漂:………………………………………..  ±0.01/

允许过载:……………………………………  120R.C.

标准电缆:…………………………………………φ64芯屏蔽电缆3

重量:……………………………………………… 0.42Kg(包括电缆)

托驰(上海)工业传感器有限公司
公司信息未核实
  • 所属城市:上海 上海市
  • [联系时请说明来自维库仪器仪表网]
  • 联系人: 张慧
  • 电话:021-51085998
  • 传真:021-51069009
  • 手机:13621609668
  • QQ :QQ:137957754
公司相关产品

供应日本NTS称重测力传感器LCL-B

信息内容:

量程:500N/1KN/2KN/5KN/10KN/20KN 技术特点: 全不锈钢结构,紧凑,重量轻。高精度的测量,准确适用。 外形尺寸: dzsc/18/5264/18526426.jpg 技术参数: 量程:……………………………………… 50N~~~20KN 灵敏度:……………………………………… 2mV/V±1% 非直线性:………………………………………… 0.15%R.O. 滞后:……………………………………………….. 0.15%R.O. 重复性:…………………………………………… 0.1%R.O. 推荐电压:…………………………………… 10V 允许电压:……………………………………18V 输出阻抗:…………………………………… 約350Ω 绝缘阻抗:……………………………………… 2000MΩ以上 温度补偿范围:………………………………… -10~+70℃ 使用温度范围:…………………………………… -20~+80℃ 零点温漂:………………………………………… ±0.01%R.O./℃ 满程温漂:……………………………………….. ±0.01%/℃ 允许过载:…………………………………… 120%R.C. 标准电缆:…………………………………………φ6,4芯屏蔽电缆3米 重量:…………………………………………...

详细内容>>

供应日本NTS称重测力传感器LCH

信息内容:

量程:5KN/10KN/20KN/50KN/100KN/200KN/300KN/500KN 技术特点: 适用于压装机机械测力,传感器底部4个安装孔可与法兰连接安装,从而固定实现冲压试验。 外形尺寸: dzsc/18/5264/18526427.jpg 型式 定格容量 φA φB C D φE φF G 質量(kg) LCH-5KN 5kN 40 35 50 1 24 10 2×4-M4深サ8 0.3 LCH-10KN 10kN 62 55 70 2 44 18 2×4-M5深サ8 0.95 LCH-20KN 20kN 62 55 70 2 44 18 2×4-M5深サ8 1 LCH-30KN 30kN 62 55 70 2 44 18 2×4-M5深サ8 1 LCH-50KN 50kN 62 55 70 2 44 18 2×4-M5深サ8 1 LCH-100KN 100kN 62 55 80 2 44 * 2×4-M5深サ8 1.3 LCH-200KN 200kN 88 80 100 2 60 20 2×4-M8深サ12 2.9 LCH-300KN 300kN 100 90 120 2 70 20 2×4-M8深サ15 4.6 LCH-500KN 500kN 134 120 150 2 90 30 2×4-M10深サ...

详细内容>>

相关产品