顺源科技隔离放大器|VI/IV隔离放大器|模拟量转换两隔离放大器|电流信号、电压信号隔离放大器SY U(A)-P-O产品详细说明:
| 产品类别: | 隔离放大器|隔离变送器|简易经济型隔离放大器隔离变送器|转换器|电流信号、电压信号隔离放大器SY U(A)-P-O | ||
| 输 入: | 4-20mA,0-2.5V等 | 输 出: | 0-10V,0-20mA等 |
| 隔离方式: | 电源与信号隔离 | 隔离电压: | 2000VDC电源与信号通道 |
| 封装方式: | SIP8/DIN35 | 说 明: | VI/IV转换小体积隔离放大器 |
顺源科技SY U-P-O系列直流电压信号与SY A-P-O系列直流电流信号两隔离放大器隔离变送器,采用小体积(SIP 8Pin)、设计方案,主要用来解决传感器与仪器仪表、PLC、DCS之间:0.4-2V/0-5V/1-5V/0-10V/0-20mA/4-20mA等非标准模拟量与标准模拟信号的转换问题。产品具有高和高线性度特点,工作电源与信号通道之间的2000VDC隔离电压,可抑制供电系统中浪涌和共模谐波干扰。产品使用方便、免点和增益调节,无需外接调节电位器等元件,即可实现工业现场模拟信号的简单转换放大功能。
该IC在同一芯片上集成了一组隔离的DC-DC升压电源和一组模拟信号转换放大器,主要用于模拟电压、电流信号转换放大且输入、输出无需隔离的场合。与ISO系列隔离放大器和ISO系列隔离变送器产品相比,具有体积小、成本低及更好的、线性度。
IV/VI电流信号、电压信号隔离放大器产品特点
● 等级:0.05级、0.1级、0.2级
● 全量程范围内高线性度(非线性度误差 < 0.1%)
● 、小体积,SIP 8Pin合UL94-V0标准阻燃封装
● 无需外接电位器等其它元件,免点和增益调节
● 辅助电源:5V/12V/15V/24V DC单电源供电
● 辅助电源与信号之间2000VDC 二隔离
● 0.4-2V/0.5-2.5V/1-5V/2-10V/0-20mA/4-20mA多种输入
● 0-20mA/4-20mA /0-5V/0-10V标准信号输出
● 工业级温度范围: -25 ~ +70 ℃
IV/VI电流信号、电压信号隔离放大器典型应用
● 非标准模拟量与标准模拟信号转换及放大
● PLC/DCS/FA等控制器与传感器信号相匹配
● 传感器模拟信号采集放大与转换
● 4-20mA/0-5V等电流与电压信号间的变换
● 仪器仪表与传感器信号收发
● 非电量信号高变送
● 模拟信号远程无失真传输
● 工业现场仪器仪表信号匹配及长线传输
IV/VI电流信号、电压信号隔离放大器产品选型举例
例1:输入:0.4-2V;输出:4-20mA ;辅助电源:5V。 产品型号: SY U3-P3-O1
例3:输入:0-5V; 输出:0-20mA 辅助电源:24V。 产品型号: SY U1-P1-O1
例2:输入:4-20mA ;输出:0-5V;辅助电源:5V。 产品型号: SY A4-P3-O4
例4:输入:4-20mA;输出:0-10V;辅助电源:24V。 产品型号: SY A4-P1-O5
备注1:SY U-P-O系列和SY A-P-O系列产品采用了的反馈调技术,能输入与输出点高度一致。
由于受到体积限制,电流输出的产品内部没有点偏置电路,所以选型时要注意输入输出点不能有偏置的情况。如:输入0-20mA,输出4-20mA或者输入0-5V,输出4-20mA等,这些信号信号输入输出有点偏置(不是点对点)的不能使用SIP 8Pin脚小体积的SY两隔离系列产品,可以选用本公司ISO系列辅助电源与信号输入、信号输出之间3KV三隔离,SIP 12Pin脚的产品来实现转换。
备注2:产品选型时如果用户不需要辅助电源与信号之间隔离的,请在订货时说明。我们生产时在内部工艺上进行制作,出厂时约定在产品型号后加一个字母“B”的来加以区分。如:SY U3-P4-O1-B。
备注3:用户对输出电压信号或电流信号的负载能力有要求的,请订货时另做注明。
IV/VI电流信号、电压信号隔离放大器产品图片



IV/VI电流信号、电压信号隔离放大器典型应用举例

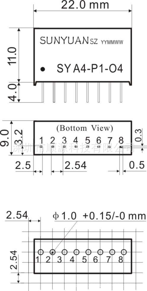
IV/VI电流信号、电压信号隔离放大器外形及PCB布板尺寸参考

DIN3 SY U/A-P-O系列隔离放大器单路、小体积标准DIN35导轨安装产品引脚功能描述
DIN3 SY U-P-O系列和DIN3 SY A-P-O系列隔离放大器产品采用小体积(厚度12.5mm)、标准DIN35导轨安装基座。嵌入SY U/A-P-O 系列集成模块,采用接线端子作为辅助电源及信号输入输出连接方式。隔离放大器产品免点和满度调节,方便用户直接使用。由于体积限制,DIN3系列小体积导轨安装隔离放大器产品只能实现一进一出隔离转换功能。


多路导轨式DIN 1X1/1X2/2X2 隔离放大器产品典型应用
SunYuan I型标准DIN35导轨安装多通道两隔离UI/IU转换器,内部装有多个SY U-P-O系列或SY A-P-O集成模块,可实现一进一出(DIN1X1)、一进二出(DIN1X2)、二进二出(DIN2X2)等多路电流转电压或电压转电流的模拟信号转换功能。无需点和满度调节,内部增加浪涌抑制保护电路,产品使用更加方便、。













