让卖家找上门
发布询价>>
您所在的位置:仪器仪表网> 电子元器件>供应气体放电管R308H

供应气体放电管R308H

价 格: 面议
型号/规格:R308H
品牌/商标:HOPESUN

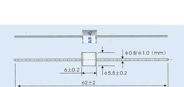
R...H陶瓷气体放电管的基本结构、工作原理和用途:

    R...陶瓷气体放电二极管由两个端电极ab,和两个瓷管组成。金属化氧化铝瓷管与电极焊接密封,管内充惰性气体。在端电极表面、中心电极内壁的有效发射面上涂有电子粉,氧化铝瓷管内壁上画上一组导电管,促进管子快速启动,且具有可恢复性。

    本产品主要用在通信设备上作过电压保护作用,广泛用在室外产品防雷、电力系统防雷及同轴电缆等保护上。

    该系列电压300V冲击电流20KA,两脚插件和贴片系列,直径8mm宽度6mm,该产品两端圆形SMD封装;(下面是常见参数仅供参考,如需更多信息请参阅产品PDF文档或者来电咨询):

Electrical specifications

DC spark-over voltage 300V  正负20%

Impulse spark-over voltage
 at 100 V/us - for 99 % of measured values  < 500V

                    - typical values of distribution  < 450V 
 at 1 kV/us  - for 99 % of measured values   < 600V
                    - typical values of distribution  < 550V 

Service life  

          10 operations 50 Hz, 1 s20A

          10 operations  [5x (+) & 5x (-)] 8/20 us 20 kA

          1 operation 8/20 us 25 kA

          1 operation 10/350 us 2 kA

          300 operations 10/1000 us200 A

Insulation resistance at 50 V > 10 GO

Capacitance at 1 MHz < 1.5 pF

Arc voltage at1 A  ~ 15V

Glow voltage ~ 60V

Weight ~2 g

Operation and storage temperature -40 ... +90 °C

Climatic category (IEC 60068-1) 40/ 125/ 21

Marking, blue negative HOPESUN 300

深圳市海普森科技有限公司
公司信息未核实
  • 所属城市:广东 深圳
  • [联系时请说明来自维库仪器仪表网]
  • 联系人: 杨先生
  • 电话:0755-32826987
  • 传真:0755-23221987
  • 手机:18926016675
  • QQ :QQ:122184275QQ:535822289
公司相关产品

供应气体放电管R608HSMD

信息内容:

R...H陶瓷气体放电管的基本结构、工作原理和用途: R...陶瓷气体放电二极管由两个端电极a、b,和两个瓷管组成。金属化氧化铝瓷管与电极焊接密封,管内充惰性气体。在端电极表面、中心电极内壁的有效发射面上涂有电子粉,氧化铝瓷管内壁上画上一组导电管,促进管子快速启动,且具有可恢复性。 本产品主要用在通信设备上作过电压保护作用,广泛用在室外产品防雷、电力系统防雷及同轴电缆等保护上。 该系列电压600V 冲击电流20KA,两脚贴片系列,直径8mm宽度6mm,该产品一端方一端圆SMD封装;下面是常见参数(仅供参考,如需更多信息请参阅产品PDF文档或者来电咨询): Electrical specifications DC spark-over voltage 600V 正负20% Impulse spark-over voltage at 100 V/us - for 99 % of measured values < 500V - typical values of distribution < 450V at 1 kV/us - for 99 % of measured values < 600V - typical values of distribution < 550V Service life 10 operations 50 Hz, 1 s20A ...

详细内容>>

供应气体放电管R608HL

信息内容:

R...H陶瓷气体放电管的基本结构、工作原理和用途: R...陶瓷气体放电二极管由两个端电极a、b,和两个瓷管组成。金属化氧化铝瓷管与电极焊接密封,管内充惰性气体。在端电极表面、中心电极内壁的有效发射面上涂有电子粉,氧化铝瓷管内壁上画上一组导电管,促进管子快速启动,且具有可恢复性。 本产品主要用在通信设备上作过电压保护作用,广泛用在室外产品防雷、电力系统防雷及同轴电缆等保护上。 该系列电压600V 冲击电流20KA,两脚贴片系列,直径8mm宽度6mm,该产品两端带引脚插件封装,(下面参数仅供参考,如需更多信息请参阅产品PDF文档或者来电咨询): Electrical specifications DC spark-over voltage 600V 正负20% Impulse spark-over voltage at 100 V/us - for 99 % of measured values < 500V - typical values of distribution < 450V at 1 kV/us - for 99 % of measured values < 600V - typical values of distribution < 550V Service life 10 operations 50 Hz, 1 s20A 10 ...

详细内容>>

相关产品