让卖家找上门
发布询价>>
您所在的位置:仪器仪表网> 电子元器件>供应拉线编码器WF160

供应拉线编码器WF160

价 格: 1500.00
型号/规格:WF160
品牌/商标:五丰

 

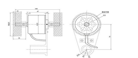
WF90系列拉线编码器

dzsc/18/9701/18970152.jpg     dzsc/18/9701/18970152.JPG

一、产品介绍: WF90系列拉线位移传感器分为数字输出型和模拟输出型两个产品类。 数字输出型可以选择增量旋转编码器、值编码器等,输出信号为方波ABZ信号或格雷码信号,行程可以做到5000毫米,线性精度0.05%,分辨力根据配置不同可以达到0.08毫米/脉冲。 模拟输出型可以选择精密电位器、霍尔编码器、值编码器等,输出信号可以为4-20毫安、0-5伏、1-5伏、0-10伏、串行SSI和电阻信号等,行程可以达到3000毫米,使用环境可以达到IP65的防护等级,-45℃~+105℃的宽温度环境下使用。 本系列主要针对中短程测量控制,性价比高,广泛应用于直线导轨系统,液压气缸系统、伸缩系统,压力机械,造纸机械,纺织机械,金属板材机械,包装机械,印刷机械,水平控制仪,建筑机械等相关尺寸测量和位置控制。其他特殊场合可以定制。

二、技术参数

类型 技术数据
数字输出 模拟输出
传感器类型 增量型编码器、值编码器 精密电阻、值编码器、角位移
电阻值 5k、10k
钢丝绳 进口涂塑钢丝绳 进口涂塑钢丝绳
拉线速度 1000mm/s (MAX) 1000mm/s (MAX)
测量行程 0~5000mm (0-3000mm)
分辨力 0.03、0.015、0.08  mm/脉冲 理论无限小
精度 0.05%FS 0.1%FS、0.2%FS、0.5%FS
响应频率 300 K Hz  
输出 长线驱动、推拉输出、SSI、格雷码 4-20毫安、0-5v、1-5v、0-10v
工作电压 DC5V、DC5-26V 24v
重量    850g                
外壳材质 进口铝合金,表面氧化处理、耐磨防腐蚀
出线口拉力 4N
抗 震 动  10HZ 到 1500HZ,10G
电缆长度 4米
工作溫度  -25℃~+85℃ -45℃~+105℃

烟台五丰设备有限公司
公司信息未核实
  • 所属城市:山东 烟台
  • [联系时请说明来自维库仪器仪表网]
  • 联系人: 小朱
  • 电话:0535-2130856
  • 传真:0535-2130855
  • 手机:15318623098
  • QQ :QQ:1950315185
公司相关产品

供应滚轮编码器 单滚轮编码器 双滚轮编码器

信息内容:

贯通滚轮编码器 dzsc/18/9701/18970153.JPG 特点: 双轴仲轮式结构可用于同步转动测长 电缆测出 A B Z三路方波 集电极开路输出 接线图 信号 SIGA SIGB SIGZ +5V 0V N.C SIGA- SIGB- SIGZ- 线颜色 绿 白 黄 红 黑 铜网 棕 灰 橙 ...

详细内容>>

供应主轴编码器W58S10

信息内容:

:::产品说明::: 1、外经58,厚度42,轴径10 2、坚固机械结构,轴载何能力强,性能稳定可靠 3、多种输出电炉可选,出线方式为插座、电缆侧出与后出 4、使用与工业机械、数控机床等行业 :::电气参数::: 输出方式 消耗 电流 (mA) 电源电压 DC(V) 输出电压(V) 上升、下降时间 (ns) 绝缘 阻抗 (Ω) 响应 频率 (kHz) VH VL L(驱动器) <150 5-30 ...

详细内容>>

相关产品