让卖家找上门
发布询价>>
您所在的位置:仪器仪表网> 电子元器件>低价销售ZX1系列电阻器,铸铁电阻器,起重电阻器

低价销售ZX1系列电阻器,铸铁电阻器,起重电阻器

价 格: 240.00
品牌/商标:鲁兴
型号/规格:ZX1-1/N,ZX1-2/N
种类:铸铁片
性能:通用
材料:合金
制作工艺:合成式
外形:平面片状
标称阻值:0.1-11.0
允许偏差:±10%
功率特性:中功率
频率特性:高频
营销方式:厂家直销
产品性质:热销

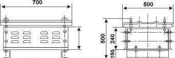
ZX1系列电阻器由铸铁浇铸成曲折蜿蜒的栅形元件组成,两端具有带孔的耳环作为安装之用,其元件制成两种型号:ZT1大型元件、ZT2小型元件。ZX1-1和ZX1-2系列电阻器安装尺寸相同,所以两者都能互叠架组装,叠装后为不减低其容量,在电阻器不超过3架时,可直接叠入,4-6架时必须用特殊的钢铁结构的架子加以支持,如超过6架时,在每6架组成的组与组间的垂直面上应留有380mm以上的间隔。
   生产销售ZX1型电阻器:ZX1-1/5  ZX1-1/7  ZX1-1/10  ZX1-1/14  ZX1-1/20  ZX1-1/28  ZX1-1/40 ZX1-1/55  ZX1-1/80  ZX1-1/110  ZX1-2/38  ZX1-2/54  ZX1-2/75  ZX1-2/105  ZX1-2/140 ZX1-2/200  ZX1-2/280

dzsc/18/9209/18920902.jpgdzsc/18/9209/18920902.jpg



庆云新兴电器制造有限公司
公司信息未核实
  • 所属城市:山东 德州
  • [联系时请说明来自维库仪器仪表网]
  • 联系人: 刘经理
  • 电话:0534-3731035
  • 传真:0534-3731035
  • 手机:13373235789
  • QQ :QQ:1055944397
公司相关产品

生产销售不锈钢电阻器

信息内容:

山东庆云新兴电器制造有限公司是制造与工矿电机车、起重机、电动机配套的电阻器产品的厂家,生产的电阻器畅销全国,在八九年正式被国家机械工业部定为定点企业,且颁发了低压电器生产许可证。 多年来,新兴人靠拼搏进取的创业精神, 精益求精的产品及服务理念, 在竞争激烈的行业中迅速崛起,在同行业中处于地位。今天的新星, 已发展为一家现代化公司,产品畅销全国各地。主要产品:电阻器,频敏变阻器,控制器,联动台,电抗器,液压制动器,管形电阻,热电偶,线圈,电阻元件,RXG20变频器制动电阻器(箱\柜),电机车配件,包括 板弹簧,司机控制器,司机控制器配件等共计3000多个品种。 公司长期以来,一直坚持引进先进技术和大专院校、科研单位合作,集成创新,共同研究,合作开发的发展战略,公司连续八年被评为县纳税先进单位、先进企业。被德州市评为“信用单位”“企业”等荣誉称号。ZX37型 不锈钢电阻器适用于交流50HZ电压至660V及直流电压至440V的电路中。主要作电动机的起动、制动与调速之用,其容量约为4.6KW。海拔高度不超过2500米;周围介质温度不超过 40℃及不低于-30℃;当 20℃至-5℃时空气相对湿度不大于85%;周围介质中...

详细内容>>

对外加工ZX26系列不锈钢电阻器

信息内容:

产品用途:ZX26不锈钢电阻器适用于50/60HZ电压为AC1140V及1500V的电路中,广泛应用于各类起重机、轮胎吊、地铁车辆、电力机车的制动电阻、变频器制动电阻和变压器中性接点电阻等技术性能:1、具有良好的防腐蚀性能2、无接触电阻,各段电阻值误差不超过±5%,总阻值不大于±7%3、在高温条件下不生成氧化层、不断裂4、具有良好蓄热容量5、耐振动、冲击、使用性能可靠电阻器型号外型尺寸安装尺寸重量(kg)LWHL1W1 ZX2663538024060526020ZX2687538024084526030dzsc/18/9572/18957281.jpg

详细内容>>

相关产品