让卖家找上门
发布询价>>
您所在的位置:仪器仪表网> 电子元器件>供应圆形拉压力传感器EVT-14C

供应圆形拉压力传感器EVT-14C

价 格: 1.00
型号/规格:EVT-14C
品牌/商标:EVT

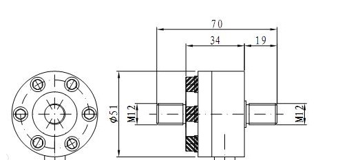
量程:0.5~~100Kg

特点:小圆型两头带螺纹的拉压两用微型传感器,采用不锈钢材质,适用于空间受限制的场所以及挤压拉伸设备的测力领域。

 

外形尺寸:

dzsc/18/6771/18677196.jpg

 

技术参数:

输出灵敏度

1.5 ± 5% mV / V

绝缘电阻

5000MΩ/100VDC

零点输出

± 2 % F.S

使用电压  

5~10 V

非线性

 0.05~0.1 % F.S.

使用电压 

15 V

滞后

 0.03~0.05 % F.S.

温度补偿范围

- 10 ~ 60 ºC

重复性

0.05 % F.S.

工作温度范围                   

- 35 ~ 65 ºC

蠕变(30分钟

0.05 % F.S

安全超载 

120 % F.S.

温度灵敏度漂移

0.05 % F.S. / 10ºC

极限超载

200 % F.S.

零点温度漂移

0.05 % F.S. / 10ºC

电缆线尺寸

Ø 2.5~3 × 1000mm

输入电阻 

350 ± 30Ω

台面尺寸

 

输出电阻

350 ± 5 Ω

防护等级

IP67

                       连接方式

输入:  (+)        (-) ;      输出:     绿 (+)            (-)


上海游然传感科技有限公司
公司信息未核实
  • 所属城市:上海 上海市
  • [联系时请说明来自维库仪器仪表网]
  • 联系人: 陈柯
  • 电话:021-20961237
  • 传真:021-20961237
  • 手机:15900660867
  • QQ :QQ:350262018QQ:862107094
公司相关产品

供应圆形拉压力传感器EVT-14E

信息内容:

量程:50Kg/100Kg/200Kg/500Kg/1T/2T 特点:不锈钢体,拉压两用称重传感器,适用于挤压设备,拉伸设备等机械测力应用。 外形尺寸: dzsc/18/6771/18677197.jpg 技术参数: 输出灵敏度 2.0 ± 1% mV/ V 绝缘电阻 ≥5000MΩ/100VDC 零点输出 ± 2 % F.S 使用电压 5~10 V 非线性 0.05 % F.S. 使用电压 15 V 滞后 0.05 % F.S. 温度补偿范围 - 10 ~ 60 ºC ...

详细内容>>

供应小尺寸压力传感器│微型称重传感器EVT-14D

信息内容:

量程:500g/2kg/5kg/10kg/20kg/50kg/100kg/500kg/1000kg/2000kg 特点:合金钢材质小圆形测力传感器,适用于机械按钮,开关等测力场所。 外形尺寸: dzsc/18/6771/18677198.jpg 型号 ΦA B C ΦD E EVT-14D-500g 12 4 0.5 1 SR10 EVT-14D-1Kg EVT-14D-2Kg EVT-14D-5Kg EVT-14D-10Kg 15 5 1 1 SR10 EVT-14D-20Kg ...

详细内容>>

相关产品