让卖家找上门
发布询价>>
您所在的位置:仪器仪表网> 电子元器件>神源变频器 神源SY5000-P 风机水泵

神源变频器 神源SY5000-P 风机水泵

价 格: 1.00

应用范围:水泵专用 品牌:神源 产品系列:SY5000——P 型号:风机水泵型 额定电压:三相AC380-400(V) 适配电机功率:0.75KW-315(kW) 控制方式:电压矢量 供电电压:中压 电源相数:三相 输出电压调节方式:高载频PWM控制 外型:11kW一下塑料 营销方式:代理 额定电流:2-615(A)

dzsc/18/2554/18255457.jpg

dzsc/18/2554/18255457.jpgSY5000-P系列风机水泵型变频器
dzsc/18/2554/18255457.jpg
SY5000-P系列风机水泵型变频器是针对风机水泵等电机耗能较多现象研发的一款节能型变频器,整机采用全程优化设计,可有效降低电机运行过程中产生的噪音和发热,宽电压设计以及转速跟踪功能保障了在电网电压波动频繁的情况下变频器仍正常工作,配套的485远程通讯接口和全封闭机壳,的满足各种工况下使用。

技术特点

1 专用“一控二”功能、睡眠功能;2 ±15%电压波动设计,能承受瞬间150%冲击电流,适应中国电网和工况;3 完善的电机拖动保护具有过载、过流、过压、欠压、短路及断电保护;4 多种控制功能应用如多段速度、PID控制、恒电压控制、瞬时断电再起动、死区补偿、自动转差补偿、在线修改参数、程序运行、跳跃频率及多种负载特性V/F曲线、RS-485通讯口、脉冲调速、多个输入输出端子可编程,方便用户应用于各种场合及多种应用方式;5 故障自动复位再起动功能。dzsc/18/2554/18255457.jpg
技术规范
项 目规 范
输出输出电压单相/三相对应输入电压,可选恒电压控制
输出频率范围0.1 ~ 650.00 Hz;频率可在25.00 ~ 650.00 Hz之间任意设定
电源电压、频率电压:单相220V±15%(单相220V系列);三相380V±15% 50Hz------三相440V±10% 60 Hz
控制功能控制方式全数字空间电压矢量SVPWM算法;载波频率1~16 KHz可调。
起动频率0.00 ~ 25.00 Hz可任意设定
控制功能输出频率分辨率0.01Hz
频率设定分辨率数字设定:100 Hz以下0.01Hz;其他:0.1Hz;模拟输入(外部端子)设定:频率的1%
V/F特性线性V/F;基底频率可在25.00~ 650.00 Hz之间随意设定。
转矩补偿线性、1.2次方和1.5次方递减共3种转矩补偿模式可选,补偿电压范围:0~30%。
直流制动减速时直流制动:起始频率(0.00~10.00Hz)、电压(0~15%)、延续时间(0.0 ~ 10.0秒)均可任意设定。启动前直流制动:电压(0~15%)、延续时间(0.0 ~ 10.0秒)均可任意设定。
过载能力通用型:150% 额定电流1分钟。风机水泵型:120% 额定电流1分钟。
运转功能运行方式正转-反转、运行/正反转、正反/自保持3种模式可任选
停止方式减速停止/自由停止可选择
频率设定操作面板▲▼键入、外接电位器、面板电位器外部模拟电流信号DC 4~20mA、外部模拟电压信号DC 0~5V或0~10V;
加减速时间和模式0.1~ 6000.0秒(加速、减速可分别设定),第1/第2加减速时间、直线/S型加减速模式均可选择。
多段速运行外部端子控制的8段速度或参数设定的4段速度(单循环或重复循环),各段速度的加减速时间(0.1~6000.0秒)和运行方向(正转或反转)均可设。
点动运行频率(0~频率)、加减速时间(0.1~6000.0秒)、加减速模式(直线/S型)均可任意设定。
上限和下限频率上限频率(下限频率 ~ 频率)、下限频率(0~上限频率)任意设定
其他功能故障试恢复、跳跃频率、外部模拟输入偏置/增益设定、转速显示系数、转差补偿、故障历史记录(过去4次)查询、动态参数(部分)修改等等
输入输出信号操作面板显示:5位8段LED(绿),参数设定:6个开关键
外部端子输入4个可编程输入(PI1~ PI4)、正转(SF)、反转(SR)、紧急停止(EMS)、故障复位(RST)
故障输出IC继电器输出(AC 250V、1A,电阻负荷)
输入输出信号集电极开路输出OUT-CM:运转中信号/速度到达检出幅度信号/过载报警信号供选择(额定24V,允许输出50mA)
频率表输出DC 0~10V(输出电流10mA,分辨率0.4%),输出额定频率/额定电流/额定电压可选择。
保护保护功能过流失速保护(以额定电流的50~200%设定)、过压失速保护、过压保护、过流保护、过载保护、过热保护、欠压保护、紧急停止等。
使用条件安装场所室内,海拔低于1千米,无尘、无腐蚀性气体和无日光直射
适用环境-10°C ~ +40°C,20% ~ 90% RH(无凝露)
振动小于0.5g
储存方式-25°C ~ +65°C
安装方式壁挂式、落地电控柜式
防护等级(含)7.5KW以下IP20;(含)11KW以上IP10
冷却方式强迫风冷

型号含义

dzsc/18/2554/18255457.jpg

产品规格

电压级别类 型型 号适用电机功率(KW)变频器额定输出电流(A)
三相 380V级风机水泵专用型SY5000-P0D7440.752
SY5000-P1D5441.54
SY5000-P2D2442.25.5
SY5000-P3D7443.78
SY5000-P5D5445.513
SY5000-P7D5447.517
SY5000-P011441124
SY5000-P015441533
SY5000-P0184418.539
SY5000-P022442244
SY5000-P030443060
SY5000-P037443775
SY5000-P045444590
SY5000-P0554455110
SY5000-P0754475150
SY5000-P0904490175
SY5000-P11044110210
SY5000-P13244132255
SY5000-P16044160305
SY5000-P18544185340
SY5000-P20044200380
SY5000-P22044220425
SY5000-P24544245480
SY5000-P28044280545
SY5000-P31544315615

外形尺寸

dzsc/18/2554/18255457.jpg

SY5000-P系列11kW及以下机型外形及安装尺寸
电压级别规格WW1HH1Dd
三相380VSY5000-P3D7441151051801701605
SY5000-P5D5441501382352231605
SY5000-P7D5441901783002881796.5
SY5000-P01144

dzsc/18/2554/18255457.jpg

15-185kW机型外形示意图 dzsc/18/2554/18255457.jpg SY5000-P系列15kW及以上机型外形及安装尺寸
电压级别规 格机型WW1HH1H2Dd
三相380VSY5000-P015442421963923763502009.5
SY5000-P01844
SY5000-P022442932005044844602509.5
SY5000-P03044
SY5000-P037443102005585385102559.5
SY5000-P04544
SY5000-P0554438030061059056029812
SY5000-P07544
SY5000-P0904442035077074672034013
SY5000-P11044
SY5000-P13244
SY5000-P16044530400100097094037513
SY5000-P18544
SY5000-P20044壁挂式600420153014901450400
SY5000-P22044
SY5000-P24544
SY5000-P20044柜式6001750400
SY5000-P22044
SY5000-P24544
SY5000-P28044柜式6101906605
SY5000-P31544柜式7302000605
SY5000-P35044
SY5000-P40044
280kW及以上柜式机示意图和外形尺寸仅供参考,以实物为主。

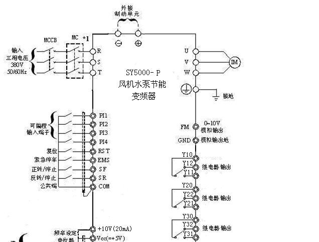
接线图

下图为SY5000-P系列变频器的连接图。用控制面板上的键盘操作变频器时,只连接主回路即运 转电动机。

dzsc/18/2554/18255457.jpg

SY5000-P型风机水泵节能变频器18.5kW(含)以下连接图

dzsc/18/2554/18255457.jpg

SY5000-P型风机水泵节能变频器22kW(含)以上连接图


常州市威荣电气有限公司
公司信息未核实
  • 所属城市:江苏 常州
  • [联系时请说明来自维库仪器仪表网]
  • 联系人: 陆建军
  • 电话:0519-85324981
  • 传真:0519-85324981
  • 手机:
  • QQ :
公司相关产品

巨泰变频器 巨泰电气一级代理商 常州市威荣电气

信息内容:

巨泰变频器—————常州威荣电气一级代理商想要详细价格请与本人联系浙江巨泰电气有限公司 成立于1999年,是一家研发、生产、销售为一体的高科技企业,主要生产JT6000(电流矢量变频器JTQ30、JTQ2)、双电源自动转换开关、 JTM1(CM1)、JTM30(TM30)、JTM3(ABB)、JTM5(NS)等塑壳断路器系列及JTQ、JTH、JTL智能双电源开关系列,巨泰人本着“科技导航、质量创牌”的企业宗旨,精心打造一流智能低压电器品牌,为您提供高效,满意的产品与服务。http://www.jotta.cc/Upload/PicFiles/JT6000 请复制后打开迅雷下载 变频器系列-2.pdf"

详细内容>>

德弗通用型变频器

信息内容:

德弗DV300-T通用系列变频器 集当今电力电子技术应用于电机控制的科技,采用SPWM优化调制。着眼于实用,经济,可靠。并考虑到国内的电网变动情况,允许电压的波动范围广,具有完善的保护功能及故障诊断系统,性能指标于国内同类产品,相关部件全部采用表面贴装技术(SMT),更提高了可靠性和实用性,广范应用于煤矿,石化,钢铁,油田,水泥,化工,纺织,造纸,啤酒饮料,环保设备,印包机械,塑料,陶瓷等行业的电机节能与调速。 技术特点:1、允许20%的电压波动,能承受瞬间200%的冲击电流,适应中国电网和工况。2、输出电流平稳,抑制能力强,负载波动,保证机器正常运行。3、完善的保护功能,过载,过流,过压,欠压,缺相,短路,及漏电保护。4、多种控制功能应用,多步速,程序运行,PID控制,三线,二线式控制,多达到8个可编程输入端口,全面满足各种应用场合。5、内置定时器和计数器,可节约外围电器成本。 应用行业:1、制药机械,木工机械,陶瓷机械,制管机,数控机床,无心磨床配套。2、印刷机械,包装机械,塑料机械,电线电缆机械,橡胶机械配套。3、钢铁厂冷轧,卷取,铝板及铝箔生产线,钢管生产线,拉丝机。 德弗变频器技术规范 项 目 ...

详细内容>>

相关产品