让卖家找上门
发布询价>>
您所在的位置:仪器仪表网> 电子元器件>BC-4Y小电流冲击继电器

BC-4Y小电流冲击继电器

价 格: 面议

应用范围:冲击 品牌:国产 型号:BC-4Y 产品系列:其他 触点形式:其他

供应各种继电器产品,FJ

乐清市润杰电器有限公司
公司信息未核实
  • 所属城市:浙江 温州
  • [联系时请说明来自维库仪器仪表网]
  • 联系人: 刘彦侠
  • 电话:0577-61778078
  • 传真:0577-61778078
  • 手机:
  • QQ :
公司相关产品

JC-16冲击继电器

信息内容:

应用范围:冲击 品牌:上继 型号:JC-16/1、JC-16/2 产品系列:其他 触点形式:其他供应各种继电器产品

详细内容>>

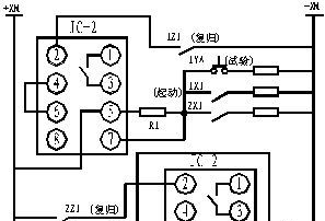
上继,冲击继电器JC-2

信息内容:

应用范围:冲击 品牌:上继 型号:上继,JC-2 产品系列:JC 触点形式:常开型 额定电压:V(V) 电流性质:交流 外形:小型 功率负载:中功率 防护特征:封闭式 直流电阻:/(Ω) 吸合电流:/(A) 释放电流:/(A) 线圈功率:/(W) 额定工作频率:50(Hz)1、用途JC-2型冲击继电器用于直流操作的继电保护及控制回路中作为集中信号的元件。2、结构与工作原理继电器采用JK-11K、H、Q型壳体,其外形尺寸、背后端子及安装开孔图见附录3。背后端子接线图见图1。dzsc/17/8602/17860257.jpg图1 背后端子接线图继电器的基本原理是采用电容充放电原理,用极化继电器作执行元件。冲击电流Ic自端子5流入,在R1上得到电压增量IcR1,该电压通过极化继电器绕组给电容器C充电,其充电电流使极化继电器动作。极化继电器具有双位置特性。当电容器充电完毕,充电电流消失,极化继电器触点保持在动作位置。其返回可以通过按钮或触点将复归电流通入端子2,经电阻R2使极化继电器绕组流过反向电流而迫使返回;也可以用反向冲击自动返回,即当∑Ic突然减小Ic时,在R1上有一减量电压-IcR1,该电压使电容器经极化继电器绕组放电,其放电电流使极化继电器返回。继电器使用的典型接线图如图2所示。3、技术...

详细内容>>

相关产品