让卖家找上门
发布询价>>
您所在的位置:仪器仪表网> 电子元器件>供应WAN-5扭矩传感器

供应WAN-5扭矩传感器

价 格: 面议
型号/规格:WAN-5扭矩传感器
品牌/商标:西安微安

WAN-5扭矩传感器

一、产品介绍
    适用于静态、非连续旋转的扭矩力值测量 dzsc/17/7546/17754692.jpg
二、技术指标
量程范围(N.m) 2~3000N.m
综合精度(%F.S) 0.1 0.2 0.3(线性+滞后+重复性)
灵敏度(mv/v) 1.0~1.5
蠕变(%F.S/30min) ±0.05
零点输出(%F.S) ±1
零点温度影响(%F.S/10℃) ±0.05
输出温度影响(%F.S/10℃) ±0.05
工作温度℃ -20℃~+65℃
输入阻抗(Ω) 750±15Ω或380±10Ω
输出阻抗(Ω) 700±5Ω或350±3Ω
绝缘电阻(MΩ) ≥5000
安全过载(%F.S) 120
供桥电压 建议10VDC
材质 合金钢或不锈钢
接线方式 电源(+)红线 电源(-)黑线
输出(+)绿线 输出(-)白线

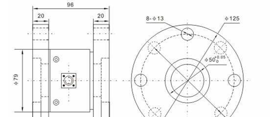
三、外型尺寸
dzsc/17/7546/17754692.jpg

 

西安微安电子科技有限公司
公司信息未核实
  • 所属城市:陕西 西安
  • [联系时请说明来自维库仪器仪表网]
  • 联系人: 朱建鹏
  • 电话:400-6858604
  • 传真:029-85458947
  • 手机:15339246806
  • QQ :QQ:297325110
公司相关产品

供应WAN-4动态扭矩传感器

信息内容:

WAN-4动态扭矩传感器 一、产品介绍 WAN-4动态扭矩传感器用于测量旋转扭矩值。由于输出为方波频率信号或4-20mA电流信号,抗干扰能力强,使用方便。传感器由于是变压器感应供电,可以长期工作,广泛应用于电机、发电机、减速机、柴油机的转矩、转速和功率的检测。 dzsc/17/7546/17754693.jpg 二、技术指标 量程范围 0-±5. ±10. ±20. ±50. ±100. ±200. ±500. ±1000 . ±2000 ±5000 ±10000 ±20000 ±3万 +5万 +6万 综合精度 ±0.1 % F· S ±0.2 5% F· S ±05 % F· S 工作转速 0-30000转/分(任意转速可选) 转速信号 60脉冲/转 总消耗电流 <130mA 零点温漂 <0.2 % F· S /10℃ 绝缘抗阻 >500MΩ 响应频率 100цS 静态超载 120 % 断裂负载 200 % 使用温度 0 ~ 60℃ 储存温度 -20 ~ 60℃ 电源电压 ±15V DC 15-36V DC DC输出 频率方波10 KHZ±5KHZ DC输出 电流信号4-20mA,电压信号1-5VDC dzsc/17/7546/17754693.jpg Nm φD φd L E H h ...

详细内容>>

供应WAN-3扭矩传感器

信息内容:

WAN-3扭矩传感器 一、产品介绍 适用于静态、非连续旋转的扭矩力值测量 dzsc/17/7546/17754694.jpg 二、技术指标 量程范围(N.m) 100~5000N.m 综合精度(%F.S) 0.1 0.3 0.5(线性+滞后+重复性) 灵敏度(mv/v) 1.0~2.0 蠕变(%F.S/30min) ±0.1~±0.05 零点输出(%F.S) ±2 零点温度影响(%F.S/10℃) ±0.05 输出温度影响(%F.S/10℃) ±0.05 工作温度℃ -20℃~+65℃ 输入阻抗(Ω) 750±10Ω或380±10Ω 输出阻抗(Ω) 700±5Ω或350±3Ω 绝缘电阻(MΩ) ≥5000 安全过载(%F.S) 120 供桥电压 建议10VDC 材质 合金钢或不锈钢 接线方式 电源(+)红线 电源(-)黑线 输出(+)绿线 输出(-)白线 三、外型尺寸 dzsc/17/7546/17754694.jpg

详细内容>>

相关产品