让卖家找上门
发布询价>>
您所在的位置:仪器仪表网> 电子元器件>供应称重传感器-TJH-6A桥式传感器

供应称重传感器-TJH-6A桥式传感器

价 格: 面议

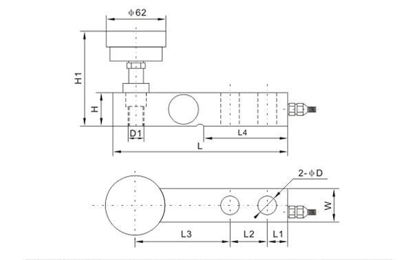
品牌:蚌埠天光 型号:TJH-6A桥式传感器 测量范围:10~50t 输出信号:模拟型 种类:称重

用途与特点
 大力值、抗偏载,组合压头具有自动复位与调心功能。
  高精度、低功耗、全密封适用各类恶劣环境。
  适用于轨道衡、汽车衡以及各类电子衡器等。

量程、规格、外形及安装尺寸
 10,15,20,30,50t

额定载荷10~50t
综合精度0.02 (线性+滞后+重复性)
灵敏度2.0 mV/V
蠕变±0.02 %F·S/30min
零点输出±1 %F·S
零点温度影响±0.02 %F·S/10℃
输出温度影响±0.02 %F·S/10℃
工作温度-20℃~+65℃
输入阻抗770±30 Ω
输出阻抗700±5 Ω
绝缘电阻〉5000 MΩ
安全过载150% F·S
供桥电压建议10VDC
材质合金钢
接线方式电源(+)红线  电源(-)绿线
输出(+)黄线  输出(-)白线
dzsc/17/4036/17403603.jpg

蚌埠天光传感器有限公司
公司信息未核实
  • 所属城市:安徽 蚌埠
  • [联系时请说明来自维库仪器仪表网]
  • 联系人: 李芳
  • 电话:0552-4923988
  • 传真:0552-4923988
  • 手机:
  • QQ :
公司相关产品

供应测力称重传感器

信息内容:

品牌:天光 型号:TJH-5B 种类:称重 材料:金属 制作工艺:集成 输出信号:MV或标准信号输出用途与特点低高度、易安装,通用性强。一端固定、一端加载,摇柱式压头,受力后可自动调心。适用于汽车衡、电子秤、料斗秤等。 量程、规格、外形及安装尺寸0.5,1,2,3,5,10t 技术参数 额定载荷0.5~10t综合精度0.02(线性+滞后+重复性)灵敏度2.0 mV/V蠕变±0.02 %F·S/30min零点输出±1 %F·S零点温度影响±0.02 %F·S/10℃输出温度影响±0.02 %F·S/10℃工作温度-20℃~+65℃输入阻抗380±10 Ω输出阻抗350±3 Ω绝缘电阻〉5000 MΩ安全过载150% F·S供桥电压建议10VDC材质合金钢或不锈钢接线方式输入(+):红线  输入(-):黑线 输出(+):绿线  输出(-):白线放大器接线方式电源:红 公共端:绿 输出:黄 dzsc/17/5421/17542133.jpg

详细内容>>

供应扩散硅压力传感器/变送器

信息内容:

品牌:天光 型号:TBP-1 种类:压力 材料:金属 材料物理性质:导体 制作工艺:集成 输出信号:模拟型用途与特点  平膜、无腔、防堵塞,可测量粘稠性液体。  主要用于测量发动机喷油系统的油压、缸压、液压及药品制造和食品加工等方面。  变送器输出为:4~20mA或0~5V,二线或三线制量程、规格、外形及安装尺寸10KPa...100KPa..1MPa...35MPa额定载荷0-10KPa~35MPa综合精度0.1 0.2 0.3(线性+滞后+重复性)灵敏度10 mV/V蠕变±0.1~±0.3 %F·S/30min零点输出±2%F·S零点温度影响±0.1~±0.3 %F·S/10℃输出温度影响±0.1~±0.3 %F·S/10℃工作温度-20℃~±65℃螺纹接口M20×1.5或其它形式电器连接航空接插件大小Hirschmann长期稳定性≤±0.3F·S/年安全过载150% F·S供桥电压传感器10VDC 变送器24VDC材质不锈钢接线方式电源(+)红线  电源(-)绿线 输出(+)黄线  输出(-)白线

详细内容>>

相关产品