- 输入电压:380±15%
- 输出电压:0-380
- 输出频率:0-50
- 输出波形:SPWM
华天可变频三相(动力型)应急电源

为只有一路电源的动力负荷提供一种可变频的三相应急电源系统,以解决电动机的应急供电及其启动过程中对供电设备的冲击。

安装形式:落地式
备用时间:90min,(可按设计要求配置备用时间)
EPS应急电源规格系列:2.2、3.7、5.5、7.5、11、15、18.5、22、30、37、45、55、75、90、100、132、160、187、200、220、250、280、315、355、400、500(单位:kVA)
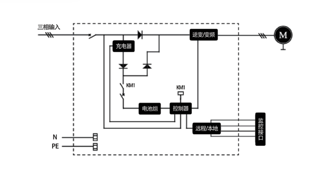
EPS应急电源原理框图

设备内部由逆变/变频器、充电器、电池组、控制器、远程/本地控制接口、接触器 KM1 等构成。
设备正常时,KM1 一直处于吸合状态;如果市电输入正常,则由市电和电池组同时给逆变器供电;同时,市电经充电器对蓄电池充电。当市电中断或异常时,逆变器由电池组单独供电,实现市电和电池组的无缝切换。
不论逆变器由市电还是电池组供电,只有当控制器接收到要求启动信号时(如强制、消防联动、本地启动、远程启动),才会控制逆变器变频启动,同时将状态返回给消防控制中心。当控制器接收到停止信号或当电池电压低于规定值时,控制器控制逆变器停止运行。
其他运行模式仅为控制方式上的区别,工作原理基本相同。
EPS应急电源 规格型号






询价




