- 企业类型:贸易商
- 新旧程度:全新
- 原产地:-
- 环境温度:-25...70 °C
- 开关频率:2500 Hz
电感式BALLUFF接近开关BES00EF部件一览
传感器原理可靠,适用于高速物体
不同尺寸的感应式环形传感器可以通用安装
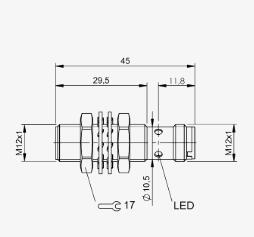
尺寸 ? 12 x 45 mm
结构 M12x1
安装 齐平
作用范围 4 mm
开关输出端 PNP常开触点 (NO)
开关频率 2500 Hz
外壳材料 黄铜, 不含镍涂层
感应面,材料 PBT
接口 插接器,M12x1公头,4针
工作电压Ub 10~30 VDC
环境温度 -25...70 °C当观察者或系统对波源的距离发生改变时,接近到的波的频率会发生偏移,这种现象称为多普勒效应。声纳和雷达就是利用这个效应的原理制成的。利用多普勒效应可制成超声波接近开关、微波接近开关等。当有物体移近时,接近开关接收到的反射信号会产生多普勒频移,由此可以识别出有无物体接近
传感器安装快捷方便,其专门开发的带 LED 的塑料后端可 360° 显示传感器的状态。除了工作状态外,现在还能显示电源和故障,例如短路。这样,您就可以随时监控一切,更快、更方便地识别故障,减少停机时间,提高系统可用性。
为此,巴鲁夫为您提供几乎可覆盖所有应用领域且款式各样的电感式传感器:从标准传感器到感应距离更大的传感器、卫生型传感器、耐高压传感器、防爆型传感器、Factor 1(衰减系数为1的传感器)也即全金属传感器。此外,这类传感器具有陶瓷涂层或PTFE涂层,能确保焊接飞溅物无法粘附。
电感式BALLUFF接近开关BES00EF部件一览


电感式BALLUFF接近开关BES00EF部件一览
巴鲁夫BES M12MD-PSC20B-BP02-003
BTL7-E501-M0140-P-S115
BNS 819-B04-D12-61-12-3B
BES M12ME-PSC20B-S04G-003
BNI0041+BNI IOL-712-000-K023
BNI004L+BNI IOL-310-000-K025
巴鲁夫接近开关BES0028
BTL7-E500-M0300-B-S115
BTL7-S511-M200-B-S32
电感式BALLUFF接近开关BES00EF部件一览






询价














