贴片全屏蔽功率电感器是一种专为开关电源、DC-DC转换器等高效率电源管理电路设计的表面贴装电感元件,其核心特点是磁路完全封闭、电磁干扰(EMI)极低、电流承载能力强。
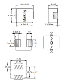
贴片全屏蔽功率电感器参数:
型号:NCA-0518 Series
品牌:南磁电子
特性:
采用金属磁粉芯,实现高性能(高饱和电流Isat)。
超薄设计:zui大厚度仅1.8mm。
低损耗、低电阻。
支持高频应用(可达1MHz)。
100%无铅(Pb),符合RoHS环保标准。
应用领域:
用于笔记本电脑主板/CPU的DC/DC转换器,超薄型板载电源模块。
尺寸说明:

设计建议:
在高密度PCB上,优先选择全屏蔽电感,避免干扰Wi-Fi、蓝牙、高速信号线。
注意散热布局:大电流电感下方避免走敏感信号线,并考虑开散热过孔。
对于多相VRM,需确保各相电感参数一致性,避免电流不平衡。
连兴旺电子(深圳)有限公司是一家zhuan业设计研发、生产、销售各种紧密连接器、接插件及线束的zhuan业厂商。连兴旺电子(东莞)有限公司,位于广东省东莞市,拥有8000多平方的zhuan业生产基地,员工180余人。产品研发、模具设计制造、冲压注塑成型、自动化组装、实验室等一应俱全。并拥有一支高素质,高科技zhuan业人才和管理人才为主的技术队伍和营销管理团队。能够时刻把握市场脉搏,关注市场动向,掌握zui新资讯,开发出让客户满意,消费者认同的新产品。形成了完整的产,供,销一体化体系。客户群覆盖珠三角,内地,港台,东南亚及欧美等地
连兴旺电子(深圳)有限公司的产品广泛应用于计算机主板、LED显示屏、电力系统、交换机、汽车电子、数码相机、医疗仪器、智能家具、安防及各种通讯设备产品上。近年来大量开发新产品,新模具,努力实现国产替代化。

















