- 企业类型:贸易商
- 新旧程度:全新
- 原产地:-
- 压力调节范围:0.15 bar - 6 bar
- 入口压力 1:6 bar - 8 bar
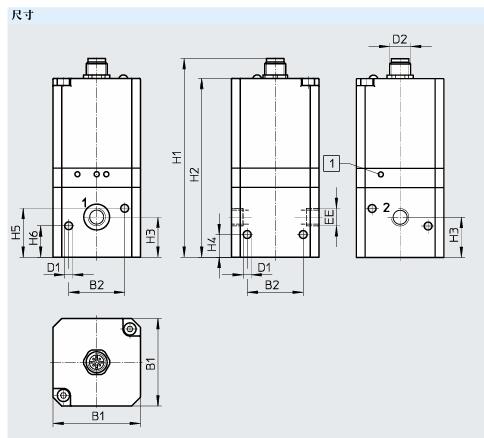
概述费斯托比例压力阀VPPE-3-1/8-6-010
大压力迟滞0.15 bar
标准额定流量(根据 DIN 1343 标准化)850 l/min
关闭时间1300 ms
气控阀用于流体工程。与任何阀一样,它们具有控制功能,用于调节允许流过它们的流体量。电磁阀属于电控阀,在使用的电流、磁场强度和用于调节介质的机制方面有所不同。当接通电流时,电磁阀被驱动,并根据控制方式,可分为直动式、伺服控制或强制先导工作的阀。
阀系列 VOFD 为两位三通阀,专用于化工、石化工厂内的过程自动化。常用于蝶阀和气缸的先导阀。其结构坚固,耐蚀等级高,可用于户外的恶劣条件。
带气复位的两位三通阀不适用于逆向工作,因为气口 1 必须有至少先导压力。
打开时间550 ms
工作电压范围 DC 21.6 V ... 26.4 V
电流消耗150 mA
概述费斯托比例压力阀VPPE-3-1/8-6-010


概述费斯托比例压力阀VPPE-3-1/8-6-010
Festo 的电磁方向控制阀利用电磁的力来打开和关闭阀。在这种情况下,电磁被用作控制模块,用于“打开”或“关闭”线路中的介质 (NC/NO)。当对电磁施加电流时,阀被驱动,并根据控制类型,作为直接、伺服控制或强制先导操工作的阀运行。
方向控制阀用于改变、打开或关闭液压或气动系统中介质的流动。常用的流体是压缩空气或液压油。因此,方向控制阀的任务是释放、改变或阻止阀中用于液体或气体(流体)的横断面。
方向控制阀在端口数量和开关位置方面有所不同。两位三通阀用于切换单作用驱动器,例如切换介质流并在阀门关闭时释放出口。
Festo 两位三通阀可在常闭 (NC) 或常开 (NO) 位置使用。
方向控制阀用于改变、打开或阻止气动系统中压缩空气的流动。因此气缸通常选择压缩空气作为流体。Festo 的通用方向控制阀在设计、开关位置和流路以及驱动类型方面有所不同。我们的产品组合包括各种不同的气控和电磁通用方向控制阀。
概述费斯托比例压力阀VPPE-3-1/8-6-010






询价














