- 检测气体:氧气
- 检测浓度:21%~95.6%(其它量程可定制)
- 回路电压:5V或12V可选
- 灵敏度:±0.2L/min@(5~55℃)
- 工作温度:5~55℃ ( (测试环境与条件:氧浓度传感器装在制氧机中进行测试))
- 工作湿度:0~99%(非凝露)
CX-O2H超声波氧气浓度传感器概述
CX-O2H氧气浓度传感器是一款基于超声波原理的理想型经济实用氧气浓度检测模块,具有高精 度、 低成本、高可靠性、易使用等特点,并同时具备浓度和温度检测功能。广泛应用于农业、工 业、商 业、环境检测等领域,尤其是制氧机行业。
CX-O2H超声波氧气浓度传感器特点及应用
· 采用超声波原理测量 
· 精度高、测量稳定
· 小体积、反应迅速
· 全程温度补偿
· 低成本
· 使用寿命长
· 无需定期校验
CX-O2H超声波氧气浓度传感器规格参数

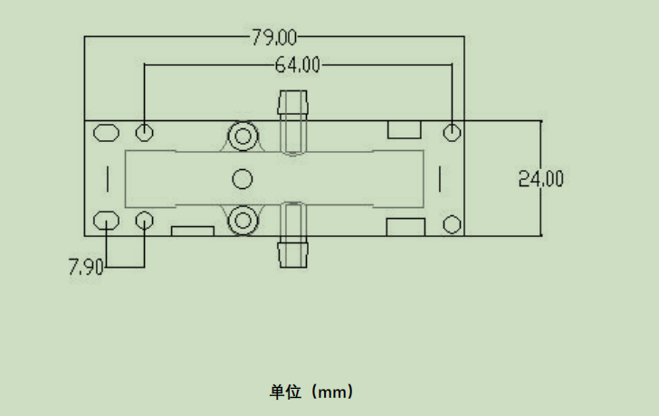
CX-O2H超声波氧气浓度传感器外形尺寸

引脚定义

注意事项
1.待测气体需要进行预处理,保证传感器入口氧气无尘、无水、无油;
2. 传感器出气口应用外界大气相通,保证排放安全无阻塞现象;
3. 请勿在传感器附近吸烟及使用明火;
4. 使用中保证管线完整性,避免造成气体泄漏;
5. 非专业人士或未经生产厂家许可的情况下,请勿自行拆装传感器,否则造成传感器损坏厂家不予保修 或维修服务;
6. 使用先请仔细阅读使用说明,避免造成人身伤害或传感器损坏。
安装要求及建议
氧浓度传感器正确安装顺序:储气罐——流量调节装置——氧浓度传感器——单向阀——湿化杯
氧浓度传感器工作环境: 5~55℃,运行在常压状态
氧浓度传感器出气口建议安装单向阀,防止压缩机停机时反冲现象,损坏超声波探头
氧浓度传感器安装应避免紧贴压缩机和远离电磁干扰
通讯协议
协议概述 波特率:9600bps,数据位:8 位,停止位:1 位,奇偶校验:无; 本协议数据均为 16 进制数据,如“46”为十进制的 70; [XX]代表单字节无符号数据(0-255),双字节数据高字节在前,低字节在后; 串口接受到的数据需除以 10 方为有效数据; 约 0.3 秒模块自动向外发送一帧数据,整个数据长度为 12 个字节;
数据格式
16 09 01(浓度)00 00(温度)00 00 [CS]; CS 为校验位,CS=0-(前面所有字节相加).
3. 应用实例 接收:16 09 01 00 D2 00 00 00 C8 00 00 46 进制转换十进制:D2 为 210;C8 为 200; O2 浓度值= 0*256+210=210 (21.0%) O2 温度值= 0*256+200=200 (20.0℃)





















