- 企业类型:贸易商
- 新旧程度:全新
- 原产地:-
- 开关距离:0.01 m ... 7.2 m
- 光点尺寸:280 mm
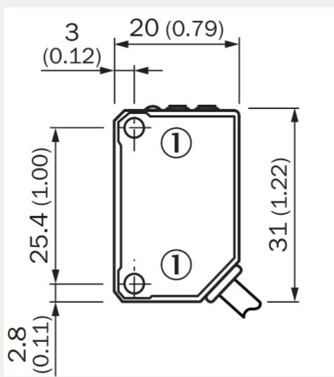
施克镜反射式光电开关WL100-2N1439型号
得益于 PinPoint LED,G6 微型光电传感器能够准确可靠地检测物体。G6 设计紧凑,不占空间,非常适合空间有限的应用。
PinPoint LED(具有可见红光和红外光)或带有激光光点的型号能够实现可靠的物体检测,因此应用广泛
SICK 专用集成电路 确保优异的光学性能和可靠性
借助带有 M3 螺纹的金属配件,安装快速简单并且可靠耐用
方便使用的电位计和可视性出色的 LED 指示灯实现简便的安装与校准
型号配备了 IP69K 防护等级不锈钢外壳,可在充满挑战的冲洗应用中确保较长的传感器使用寿命。
施克镜反射式光电开关WL100-2N1439型号


施克镜反射式光电开关WL100-2N1439型号
从 PET 瓶到透明薄膜 - 得益于 PinPoint 技术,W12G 镜反射式光电传感器能够可靠地检测高度透明和半透明的物体。聚焦光点具有更高的光强度,不易受环境的干扰影响。如果出现脏污,会通过 AutoAdapt 功能自动调整传感器的开关阈值。通过这种方式可延长传感器的可用性,推迟维护间隔,从而显著提高设备的率。清洁后,传感器会自动恢复为初始开关阈值。
光电传感器适用于恶劣的工业环境。这些高性能传感器不易受的振动、冲击作用和剧烈的温度变化影响。即使发生反射,这些设备也能提供高运行安全性。此外还提供即用型传感器,额外配备满足 ATEX 设备类别 3D 和 3G 高要求的金属保护外壳。因此,这些传感器类型具有标准传感器达不到的机械强度。
G6 激光产品系列提供具有背景抑制功能的漫反射光电传感器和触发感应距离为 400 mm、光斑直径为 0.4 mm的高功率漫反射光电传感器。因此,G6 激光器非常适合集成到机器人手臂中和用于自动化系统。
在半导体行业的装卸过程中,G6 激光器由于具有较小的光斑直径,非常适合用于检测晶圆片
G6 产品系列提供用于物体检测的完善的光电传感器产品,其应用非常广泛
凭借带有 M3 螺纹孔的增强金属插件,位于微型外壳中的 G6 光电传感器可以快速、可靠地安装。 这意味着光电传感器可以立刻投入使用,从而在制造流程中发挥自己的出色性能。
施克镜反射式光电开关WL100-2N1439型号






询价














