一体成型电感是一种采用粉末冶金工艺将绕组线圈与磁性材料整体压制而成的高性能电感器。它在结构和性能上与传统的插件电感或部分屏蔽贴片电感有显著区别,广泛应用于现代高效率、高密度的电源系统中。
一体成型电感参数:
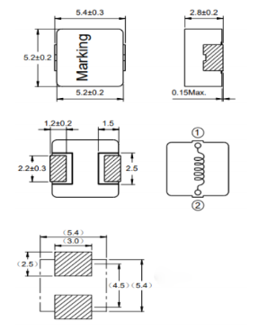
型号:NCA-0530
材质:金属软磁合金材料
特性:
采用金属粉末磁芯,实现高饱和电流(Isat)性能
外形低矮:厚度zui大为2.0mm
低损耗、低直流电阻
可用于高频场合(1MHz)
100%无铅(Pb),符合RoHS标准
应用:
笔记本电脑主板/CPU的DC/DC转换器
服务器电压调节模块(VRM)的薄型板载电源模块
尺寸说明:

深圳市南磁电子有限公司成立于2016年,创建之初立足于空心线圈、射频线圈的设计生产,奠定了一定的行业影响。2018年初于广东省惠州市仲恺高新区成立"惠州市南磁科技有限公司"作为公司主要生产基地,惠州南磁是一家以一体成型电感器为主要产品的高科技企业,公司集电感器产品的设计、研发、生产、销售于一体的规划方式,从产品生产的源头作为切入点,涉及空心线圈、粉体配方、成型模具、全自动化后段加工、全自动筛选包装。目前已经具备各种不同尺寸电感器量产能力。

















