一体成型电感凭借其高饱和电流、低损耗、低EMI、耐高温和小型化等优异特性,已成为现代电子设备中电源管理模块的关键元件。
型号:NCA-0420 Series
品牌:南磁电子
材质:金属软磁合金材料
采用金属粉末磁芯,实现高饱和电流(Isat)性能
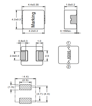
外形低矮:厚度zui大为3.0mm
低损耗、低直流电阻
可用于高频场合(1MHz)
100%无铅(Pb),符合RoHS标准
应用:
笔记本电脑主板/CPU的DC/DC转换器
超薄型板载电源模块。
尺寸说明:

深圳市南磁电子有限公司成立于2016年,创建之初立足于空心线圈、射频线圈的设计生产,奠定了一定的行业影响。2018年初于广东省惠州市仲恺高新区成立"惠州市南磁科技有限公司"作为公司主要生产基地,惠州南磁是一家以一体成型电感器为主要产品的高科技企业,公司集电感器产品的设计、研发、生产、销售于一体的规划方式,从产品生产的源头作为切入点,涉及空心线圈、粉体配方、成型模具、全自动化后段加工、全自动筛选包装。目前已经具备各种不同尺寸电感器量产能力。

















