- 企业类型:贸易商
- 新旧程度:全新
- 原产地:美国
- 介质:-
- 工作温度:-
美国MAC不锈钢电磁阀6611A-211-PM-122DA
提供主阀阀芯强大的切换力矩,类似于驱动双动式无杆气缸
平衡式设计、带雨刷功能、摩擦阻力非常小、长寿命
4.MAC公司的的自锁线圈-只用一个线圈可满足双线圈电磁阀的功能,
可简化接线,降低阀门的体积
MAC公司的自锁线圈技术是只用一个电磁线圈达到一般双线圈电磁阀的所有功能,
MAC公司同时可以提供通常的双电控电磁阀。
这种先导系统提供阀芯强大的切换力矩。
在阀门通断时,两边力矩相同,并在另一端没有任何阻碍。
这种设计可以保证阀门的切换力矩,快速反应,并简化阀门的结构
MAC发明的一体式阀芯保证在压力下的平衡动作,
雨刷功能保证污物不会停留在阀门内,而且摩擦阻力小。
的表面打磨及硬化处理既可保证密封又减少换向时的阻力
所有的密封橡胶均内含润滑油,在长期工作中无需任何外界润滑。
的阀体加工及表面打磨以及硬化处理,
美国MAC不锈钢电磁阀6611A-211-PM-122DA


美国MAC不锈钢电磁阀6611A-211-PM-122DA
使阀体与阀芯接触面光滑如镜面,阀体与阀芯间的摩擦力非常小,
确保密封能有非常长的寿命。
MAC公司的椭圆型电磁线圈以及四通先导阀技术,
是在小体积内产生强大的电磁力矩的新技术。
平衡式设计的四通先导阀可通过压缩空气
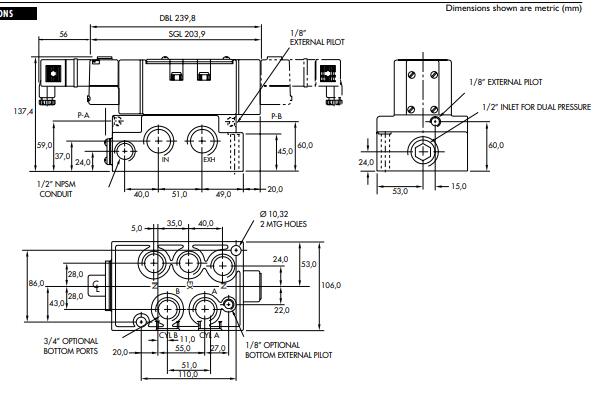
MAC 6600系列是一种多功能的4通电磁控制阀。该系列的特点是在先导部分采用我们平衡的阀芯,并且有空气/弹簧回路,可以在入口压力波动的情况下保持一致的换挡。我们的平衡滑阀意味着阀门可以作为4通、3通、2通、常闭或常开使用,或者可以用于真空、分配或选择应用。我们的整体粘结密封滑阀意味着更长的使用寿命和易于维护。
?获得的MacSolenoid?及其在交流服务方面的非燃烧功能。
?一个大型检查蓄能器,可在单线和双螺线管模型上进行一致的转移。
?插入式设计,可为内部或外部飞行员提供带有或没有灯的外部飞行员,所有电气和基座中的空气管道。
?非润滑或润滑服务。
?可选的低功率直流电磁阀降低至1瓦。
?可选的指示灯和各种类型的手动操作员。
?可用非插件或外部插件模型。
Vertatile 6600系列提供了高流量,非常快的响应和长寿紧凑型软件包,可在以下配置中使用:
?2-pos。,单算机或双运算符(螺线管或远程空气)。
?3-pos。,双操作员关闭中心,开放中心或压力中心(螺线管或远程空气)。
?可用手册和机械操作员。
美国MAC不锈钢电磁阀6611A-211-PM-122DA






询价














