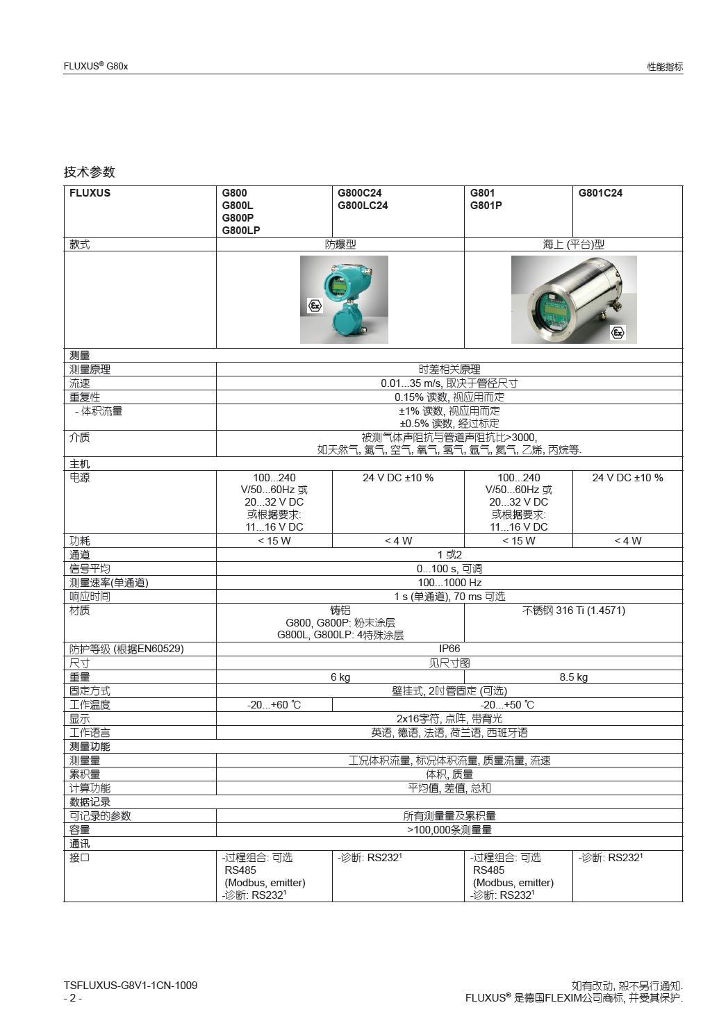
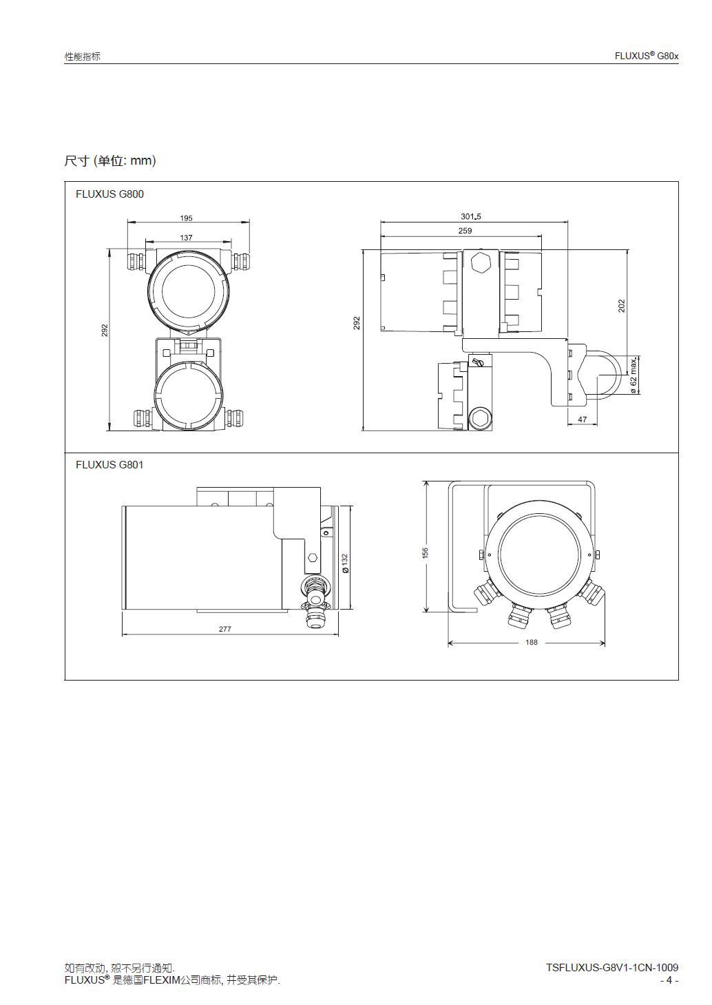
德国G800爆型、固定式声波流量计 技术参数如下所示:





G80X爆型、固定式声波流量计应用:
用于各类工业场合,是恶劣的环境下,尤其是气体加工和天然气提取、化工行业,和石业。
具体应用有:
- 天然气管道和天然气存储设备
- 合成气和注气测量
- 供气行业测量
想了解更多的信息,请立即咨询!!


扫一扫
进入手机店铺
德国G800爆型、固定式声波流量计 技术参数如下所示:





G80X爆型、固定式声波流量计应用:
用于各类工业场合,是恶劣的环境下,尤其是气体加工和天然气提取、化工行业,和石业。
具体应用有:
- 天然气管道和天然气存储设备
- 合成气和注气测量
- 供气行业测量
想了解更多的信息,请立即咨询!!