



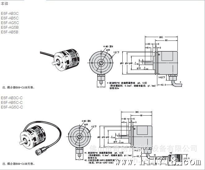
高检测自动机械动作时间的坚固型
■强的轴强度的坚固型径向120N、轴向50N的强力
■实现IP65f的滴·油结构
■强化分辨率的系列、能适应更多的用途(E6F-AG5C-C:对应分辨率720)
■响应速度,适应更的控制(格雷导线:20KH)
■额定值/性能
| 项目 型号 | E6FAB3C- C | E6FAB3C | E6FAB5C- C | E6FAB5C | E6FAB5B | E6FAG5C- C | E6FAG5C | E6FAG5B | |
| 电源电压 | DC5V-5%~12V+10% 脉冲(p-p)5%以下 | DC12V-10%~24V+15% 脉冲(p-p)5%以下 | |||||||
| 消耗电流 *1 | 60mA以下 | ||||||||
| 分辨率(脉冲/旋转)*2 | 360 | 256、360、 720 | 256、360、720、1024 | ||||||
| 输出方式 | BCD | 格雷2进 | |||||||
| 输出形式 | NPN集电开路输出 | PNP集电 开路输出 | NPN集电开路输出 | PNP集电开路输出 | |||||
| 输出容量 | 外加电压:DC30V以下 同步电流:35mA以下 残留电压:0.4V以下(同步电流35mA时) | 同步电流 : 35mA以下 残留电压 : 0.4V以下 (同步电流 35mA时) | 外加电压:DC30V以下 同步电流:35mA以下 残留电压:0.4V以下 (同步电流35mA时) | 同步电流:35mA以下 残留电压:0.4V以下(同步电流35mA时) | |||||
| 响应频率 *3 | 10kHz | 20kHz | |||||||
| 逻辑 | 负逻辑(H= 「0」、L= 「1」) | 正逻辑 (H=「1」 L=「0」) | 负逻辑(H= 「0」、L= 「1」) | 正逻辑 (H=「1」L=「0」) | |||||
| 旋转方向 | CW(从轴侧看,为右转)增加输出码 | ||||||||
| 输出上升、下降时间 | 1μs以下E6F-AB3C、A□5C:负载电压5V、负载电阻:1kΩ、输出电缆长2m以下 E6F-A□5B:电源电压12V、负载电阻1kΩ、输出电缆长2m以下 | ||||||||
| 起动扭矩 | 9.8m·N以下(常温时)、14.7m·N以下(低温时) | ||||||||
| 惯性力矩 | 1.5×10-6kg·m2以下 | ||||||||
| 轴允许力 | 径向 | 120N | |||||||
| 轴向 | 50N | ||||||||
| 允许旋转速 | 5000r/min | ||||||||
| 环境温度范围 | 工作时:-10~+70℃ 保存时:-25~+80℃ (不结冰) | ||||||||
| 环境湿度范围 | 工作时:35~85%RH 保存时:35~95%RH (不结露) | ||||||||
| 缘电阻 | 20MΩ以下(DC500V兆欧表)充电部整体与外壳间 | ||||||||
| 耐电压 | AC500V 50/60Hz 1min 充电部整体与外壳间 | ||||||||
| 振动(耐久) | 10~500Hz 复振幅1.5mm X、Y、Z方向 1扫描 11min 3扫描 | ||||||||
| 冲击(耐久) | 1,000m/s2 X、Y、Z各方向 3次 | ||||||||
| 保护结构 | IEC规格 IP65(JEM规格 IP65f 滴·油)*4 | ||||||||
| 连接方式 | 接插件连接 式(标准导 线长:2m) | 导线引出式 (标准导线 长:2m) | 接插件连接 式(标准导 线长:2m) | 导线引出式 (标准导线长:2m) | 接插件连接 式(标准导 线长:2m) | 导线引出式 (标准导线长:2m) | |||
| 材质 | 外壳 | 亚铅合金 | |||||||
| 本体 | 铝 | ||||||||
| 轴 | SUS420J2 | ||||||||
| 安装金属配件 | 铁 亚铅镀锌 | ||||||||
| 质量(捆包模式) | 约500g | ||||||||
| 附件 | 伺服装置用安装配件、耦合器(除导线引出式)、六角扳手(除导线引出式)、使用说明书 | ||||||||
欧姆龙授权代理商,原装,十!












